※こちらのレバーハンドルは、定番品につき常時在庫いたしております。

即納できます♪

お問合わせ下さい 取替の・・・  最後の砦〜〜 読み物 新規で取付なら気に入ったレバーハンドルを選べばいいだけですが、取替となるとそうもいきません。

互換性の有無を調べるところから始まります。

しかもこれの厄介なところは、一覧表も早見表も虎の巻も無いところにあります。

僕も(店長やってます)実店舗のメンテナンス事業を一手に引き受けていたことがあるのでそれなりに経験上「アレにはコレが使える」みたいなのがわかってますが、トンデモナイ種類があるので判断できるのは極一部でしょうねぇ〜。

交換のため探し回った経験のある業者さんなら、今ここ読んで大きく大きくうなづいたことでしょう。

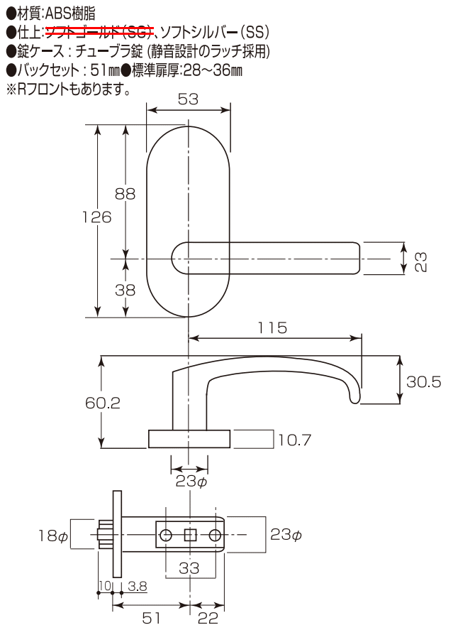
で、 結局のところ、既存の切欠き(加工穴)と図面の切欠き図を比較して、互換性があるか無いかを調べるしかありません。

  一か八か・腹決めて・清水の舞台から みたいなリスキーなことせず、厚紙(コピー用紙でも可)に原寸大で既存穴を描き、使えそうな商品の切欠き図も原寸大で描いて両方を比較しながらじっくり思案してみて下さい。

時には完全一致もあるし、「かなり近い!」「ちょっと穴を広げたらいける!」 「くそっ、位置は合うけど穴が隠れない」なんてことも。

そんな中でも高確率で取替に使いやすい・出番が多い商品を2種類ご紹介します。

 握り玉の交換に最適→丸座のレバーハンドル 穴が隠れやすい→長座のレバーハンドル これが利用(創意工夫も含めて)できなければ、取替用探しは更に困難を極めると言っても過言ではなく、救世主的存在 最後の砦です。

 チョット過言ですが。

ぜひ一度この2機種をクリック(黒い文字)して確認してみて下さい。

「窓工房 ナカサ」店長より ◎レバーハンドル 関連商品のご紹介◎ エレガントで人気 ゴールドのレバーハンドル ドアノブ取り替え 錠付きのドアレバー DIYで取付できるハンドル 取替用のドアノブ、ドアレバー>レバーハンドル >金物 >建具・ドア用(レバーハンドル) ■ソフトレバーハンドルの特徴 見た目は、金属のようですが、ABS樹脂製なので、レバーに触れたとき、金属特有のひんやりした感じがありません。

ABS樹脂で成型することで、大幅なコストダウンも実現しまました。

カラーは、インテリアにあわせやすい、シルバーとゴールドの2色から選択できます。

どちらも、艶やかな仕上げで高級感があります。

(安いけど!!)表示錠付きですので、トイレや更衣室、寝室やプライベートルーム、リビングなどのドアにおすすめです。

※この商品は人気の表示錠です。

空錠タイプが必要なお客様は→GMレバーハンドルがおすすめ ※当店ではフルセットでお届けします。

レビュー件数3
レビュー平均4.67
ショップ 窓工房 ナカサ
税込価格 4,725円